光伏系统的组成
光伏系统示例图:

2、光伏系统的类型
并网系统和离网系统的示例对比照:

光伏系统接线


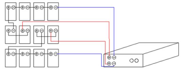
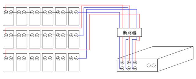
各种型号的逆变器可配对的组件数量是一定的,可以根据逆变器的支路数量来分配各组组件的连接数量,如图所示:

一般家庭并网部分是由供电公司接人并网 ,安装单位只需将交流端预留在电表箱,并安装断路开关。若是业主不用并网或还未批准并网。则安装单位需要将交流端接在电源进户开关下端。用户若是三相电接入则需三相逆变器。

支架部分
水泥墩标号及排布表:

水泥墩排布图:

首先了解常见的支架材料:
了解各部件的形状用途也便于快速安装支架:



水泥平面或地面电站常用支架样式:


当围墙过高或者地面有障碍物(避雷带、线管、桥架)的时候可用这种带抬高脚的支架,屋面开阔也可以双排铺设:

2、彩钢瓦屋面
彩钢瓦屋面的安装相对要简单些,依据采光瓦不同的菱角配备不同的扣件如图:

1、按图纸指定位置,将钢板夹的正面和背面卡在彩钢板上,并使用螺钉固定(尽量一次性固定所有钢板夹,如果不行则一次固定两行方便安装光伏组件)。

2、使用T型螺钉穿过横梁,并将横梁固定在钢板夹上,调整位置后用螺帽拧紧(同1,尽量一次固定所有横梁,如果不行则一次固定两行方便安装光伏组件)。

4、单双侧压块固定方式:将T型螺钉滑入横梁(最好预先滑入所有T型螺钉方便安装),使用单、双侧压块贴紧光伏组件。并用螺钉固定紧。



瓦片屋顶的弯钩固定密度与彩钢瓦的密度相当,每平方米固定4个弯钩:


组件安装


扫二维码用手机看
在线留言
您可以将意见和建议在这里留言给我们,我们将及时给予回复。
18130057356
在线留言